一、光伏發電系統概述
光伏發電系統(簡稱光伏系統)以其取之不盡的能源來源和環保特性備受青睞。它以光伏電池為核心,通過光生伏特效應,將太陽輻射能直接轉換為電能。這類系統不僅清潔、安全,且不破壞生態,組成部件包括光伏電池、逆變器、并網箱、支架、交直流線纜等。
二、逆變器的關鍵作用與分類
逆變器,作為光伏發電系統中的核心電力轉換模塊,承擔著將光伏電池產生的直流電轉換為與市電頻率一致的交流電的任務,實現了電能在電網或交流設備中的有效利用。
(一)分類方式
并/離網型 :根據是否并網,逆變器可分為并網型與離網型。并網型逆變器可將電能反饋回電網,而離網型逆變器則適用于獨立的電力供應系統。
單相和三相 :依據輸出相數,逆變器分為單相和三相逆變器。單相逆變器適用于小功率、低電壓的應用場景,如家庭住宅;三相逆變器則適用于大功率、高電壓的商業和工業領域。
隔離要求分類
工頻隔離 :通過工頻變壓器實現源邊與副邊的隔離,具有較高的安全性,但工頻變壓器體積較大,導致逆變器整體體積和重量增加。
高頻隔離 :采用高頻變壓器進行隔離,可顯著減小變壓器體積,提高逆變器的功率密度。高頻隔離逆變器常用于微型逆變器中,以滿足人體安全和設備小型化的需求。
非隔離 :非隔離逆變器省略了隔離變壓器,直接將直流電轉換為交流電。這種結構簡單、成本低,但需要采取其他措施確保電氣安全,如接地保護等。
功率大小分類
微型逆變器 :適合于單個光伏板或小型光伏陣列,功率通常在幾百瓦到幾千瓦之間。它們具有安裝靈活、易于擴展的特點,可實現對每個光伏板的獨立控制和優化。
組串式逆變器 :功率范圍一般在幾千瓦到幾十千瓦,適用于中小型光伏系統。它們通過將多個光伏板組成的組串連接到逆變器,實現對整個組串的集中控制和優化。
集中式逆變器 :功率較大,通常在幾十千瓦到兆瓦級以上,適用于大型光伏電站。集中式逆變器將大規模的光伏陣列產生的直流電集中轉換為交流電,具有較高的轉換效率和較低的單位成本。
三、光伏逆變器的拓撲結構
光伏逆變器的拓撲結構因功率和應用場景而異,主要有以下幾種:
(一)工頻隔離逆變器
工頻隔離逆變器通過工頻(50Hz)變壓器實現源邊和副邊的功率傳輸。其拓撲結構相對簡單,主要包括整流橋、濾波電路和工頻變壓器。然而,工頻變壓器體積龐大,限制了逆變器的進一步發展。


(二)高頻隔離逆變器
高頻隔離逆變器常用于微型逆變器中,以實現交流側與直流側的隔離,確保人體安全并減小體積。常見的拓撲結構包括:
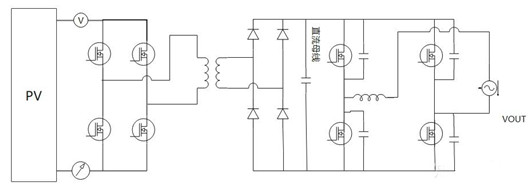
帶有中間直流母線的逆變器結構 :先將交流電整流為高壓直流電,再通過逆變器輸出交流信號。該結構允許源邊整流和副邊逆變獨立調整,但需要較多功率器件和高壓直流母線電容。


偽直流母線拓撲 :無直流母線,通過交錯反激結構將直流信號轉換為正半周期正弦波,再經可控硅調整為全周期正弦波。此拓撲節省高壓電容,但工作效率較低,適合小功率微型逆變器。


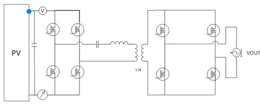
不含直流母線的串聯諧振拓撲 :無需直流母線和高壓電容濾波,變壓器源邊在零電壓開通狀態下工作,效率較高,適用于光伏逆變器和戶用儲能逆變器。

〈烜芯微/XXW〉專業制造二極管,三極管,MOS管,橋堆等,20年,工廠直銷省20%,上萬家電路電器生產企業選用,專業的工程師幫您穩定好每一批產品,如果您有遇到什么需要幫助解決的,可以直接聯系下方的聯系號碼或加QQ/微信,由我們的銷售經理給您精準的報價以及產品介紹

〈烜芯微/XXW〉專業制造二極管,三極管,MOS管,橋堆等,20年,工廠直銷省20%,上萬家電路電器生產企業選用,專業的工程師幫您穩定好每一批產品,如果您有遇到什么需要幫助解決的,可以直接聯系下方的聯系號碼或加QQ/微信,由我們的銷售經理給您精準的報價以及產品介紹
聯系號碼:18923864027(同微信)
QQ:709211280

