以下為您介紹常見的開關電源適配器電路圖,這些電路圖具有一定的通用性和可操作性,可依據實際需求進行合理選用。同時,在設計和使用過程中,需要注意一些關鍵點,以確保電源適配器能夠穩定、高效地運行。


一、基本電路圖及注意事項
常見的開關電源適配器電路難度相對適中,一般在滿足基本的元件選擇、布線要求以及合理的參數設置等條件下,即可正常工作。以下是幾個關鍵注意事項:
振蕩頻率調節:通過調節電容C3和電阻R5的參數,使振蕩頻率維持在30KHz-45KHz范圍內。這一頻率范圍能夠在保證電源適配器正常工作的同時,兼顧效率和電磁兼容性等方面的要求。
輸出電壓穩定性:輸出電壓的穩定性是衡量電源適配器性能的重要指標。需要采取有效的穩壓措施,如采用性能良好的穩壓芯片、設計合理的反饋電路等,以確保輸出電壓在各種工況下都能保持穩定,為負載設備提供可靠的電源支持。
輸出電流及功率:該電源適配器設計輸出電流可達500mA,有效功率為8W,效率達到87%。在實際應用中,要充分考慮負載的需求,確保電源適配器能夠在額定輸出電流和功率范圍內工作,避免過載等情況發生,以延長電源適配器的使用壽命并保證其安全運行。
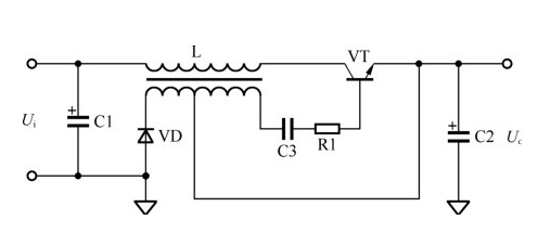
二、自激串聯型電源適配器原理圖及工作原理
(一)電路組成及元件功能
開關管VT:作為電源適配器的核心元件,開關管VT受激勵脈沖的控制,在截止與飽和狀態之間切換。其工作狀態的改變直接影響著電源適配器的能量傳遞和轉換過程。
濾波電容C1:連接在市電電壓整流濾波電路中,用于對整流后的直流電壓進行濾波,降低紋波電壓,提高電源適配器的輸入電壓質量,為后續的開關變換環節提供相對平穩的直流電壓。
續流二極管VD:在開關管截止時,為負載提供供電通路。其存在能夠確保負載在開關管截止期間仍能獲得持續的電流供應,避免因電流中斷而引起負載電壓的大幅波動,對維持輸出電壓的穩定性具有重要意義。
儲能電感L(開關變壓器):在開關管VT飽和導通期間,儲能電感L儲存能量;而在開關管截止期間,釋放所儲存的能量。通過這一過程,實現能量從輸入端向輸出端的傳遞,并起到穩定輸出電壓的作用。
輸出濾波電容C2:連接在電源適配器的輸出端,對輸出電壓進行進一步濾波,降低輸出電壓中的紋波含量,提高輸出電壓的純凈度和平滑性,滿足負載對電源質量的要求。


(二)工作原理
當開關管VT飽和導通時,C1正極的直流電壓Ui經過儲能電感L、開關管VT,向輸出濾波電容C2正極充電,同時C2負極與電源負極相連。這一過程中,一方面使C2兩端建立起直流電壓,為負載提供電壓支持;另一方面,儲能電感L中的磁能不斷增大,儲存能量以便在后續的開關管截止期間釋放。
當開關管VT截止時,儲能電感L感應出左負、右正的電壓。此時,續流二極管VD導通,L中儲存的磁能通過續流二極管VD向輸出濾波電容C2及負載釋放。電源適配器的輸出電壓Uo由VT的飽和導通時間決定,而飽和導通時間又受基極激勵脈沖寬度的控制。基極激勵脈沖寬度則由誤差取樣、放大電路根據輸出電壓與設定值的偏差進行調節,從而實現輸出電壓的穩定控制。
續流二極管VD在電路中起著至關重要的作用。如果沒有續流二極管VD,當開關管突然由飽和導通轉為截止時,儲能電感L中儲存的磁能無法釋放,將在L兩端感應出極高的電壓,極易導致開關管VT擊穿損壞,嚴重影響電源適配器的可靠性和安全性。而接入續流二極管VD后,當開關管由飽和導通轉為截止時,儲能電感L中的磁能通過續流二極管VD向C2及負載電路釋放。一方面使L兩端的電壓下降,使開關管集電極-發射極壓降穩定在輸入Ui值附近,并有足夠的余量,確保開關管在安全工作區內;另一方面,在VT截止期間,L通過續流二極管VD持續向負載釋放能量,使負載在開關管截止期間也能得到能量補充,從而使輸出端電壓更加平滑,提升了電源適配器的效率和性能。
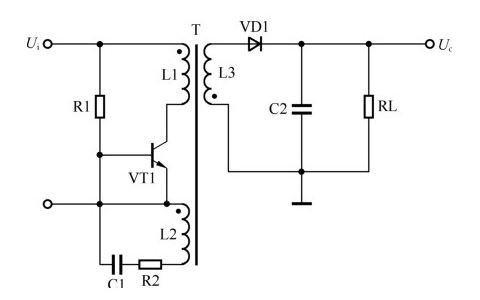
三、他激式并聯電源適配器分類及單端反激式電源適配器
(一)分類
他激式并聯電源適配器根據其電路結構和工作原理的不同,可分為單端反激式、單端正激式、推挽式、全橋式、半橋式等多種類型。每種類型都有其特點和適用范圍,可依據具體的電源適配需求進行選擇。
(二)單端反激式電源適配器


電路特點及工作原理
單端工作方式:電路中的單端是指高頻開關變壓器的磁芯僅工作在磁滯回線的一側。這種工作方式使得變壓器磁芯的利用率相對較低,但在電路結構和控制方面較為簡單,適合中小功率電源適配器的應用。
反激能量傳遞過程:當開關管VT1導通時,開關變壓器T一次繞組的感應電壓為上正下負,整流二極管VD1處于截止狀態,此時在一次繞組中儲存能量。當開關管VT1截止時,變壓器T一次繞組中存儲的能量,通過二次繞組感應出相應的電壓,經VD1整流和電容C濾波后向負載輸出。這種反激式的工作方式使得能量傳遞具有一定的間歇性,但通過合理的電路設計和參數設置,可以保證輸出電壓的穩定性和連續性。
性能特點及應用
成本與應用優勢:單端反激式電源適配器是一種成本相對較低的電源適配器電路,其輸出功率范圍一般在20~100W。由于其電路結構簡單、成本低,同時能夠方便地實現不同電壓的輸出,并且電壓調整比較方便,因此在眾多電子設備的電源適配領域得到了廣泛應用,如小型電子產品充電器、機頂盒電源、部分通信設備電源等。
主要缺點:與一些其他類型的電源適配器相比,單端反激式電源適配器輸出的紋波電壓稍大。這是因為在能量傳遞過程中,紋波的產生主要來源于變壓器的漏感以及輸出整流二極管的反向恢復電流等因素。雖然通過增加濾波電路等措施可以在一定程度上減小紋波,但難以完全消除。另外,開關管VT1承受的最大反向電壓較高,是電路工作電壓值的兩倍左右。這對開關管的耐壓性能提出了較高要求,在選擇開關管時需要充分考慮其耐壓參數,以確保開關管能夠可靠工作,避免因過壓而損壞。
〈烜芯微/XXW〉專業制造二極管,三極管,MOS管,橋堆等,20年,工廠直銷省20%,上萬家電路電器生產企業選用,專業的工程師幫您穩定好每一批產品,如果您有遇到什么需要幫助解決的,可以直接聯系下方的聯系號碼或加QQ/微信,由我們的銷售經理給您精準的報價以及產品介紹
聯系號碼:18923864027(同微信)
QQ:709211280

