
傳真:
18923864027
QQ:
709211280
地址:
深圳市福田區振中路84號愛華科研樓7層
非同步BUCK的續流二極管解析以BUCK芯片TPS54540為例,下表為系統設計需求:典型應用電路如下:TPS54540 器件在 SW 引腳和 GND 之間需
烜芯微在智能玩具車,LED氛圍燈與無人機領域的應用一、前言半導體分立器件包括二極管、三極管和MOS管等,它們有著各自的特點和應用領域。二
鋰電池充電電路原理圖,3個鋰電池充電電路方案介紹鋰電池充電電路一原理圖如下都是比較小的,SOT-23-6 封裝此方案的優勢是器件可以擴容,也
MOSFET技術,MOS在電路中的常見應用介紹導體三極管中參與導電的有兩種極性的載流子,所以也稱為雙極型三極管。本文介紹另一種三極管,這種三
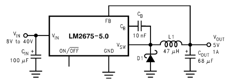
DC DC電源芯片LM2675的內部全部結構介紹今天以一顆DC DC降壓電源芯片LM2675為例,盡量詳細講解下一顆芯片的內部設計原理和結構。LM2675-5 0
用晶體管搭建常見的邏輯門電路介紹常見的晶體管有二極管、三極管和MOS管,主要的邏輯門電路:與門、或門、非門、與非門、或非門、異或門等
NMOS管與PMOS管怎么做開關控制電路01 MOS管導通截止原理NMOS管的主回路電流方向為D—>S,導通條件為VGS有一定的壓差,如 5V(G電位比S電
NMOS管與PMOS管的原理,選型和應用介紹一、原理介紹如上圖MOS管符號,要注意如果剛學完三極再來看這個會覺得很別扭,記不住,下面與NMOS原理
USB外接電源和鋰電池自動切換電路設計介紹當我們的電路既可以由外部USB電源供電,也可以由鋰電池供電時,我們需要進行如下的邏輯設置:外部
開關電源同步整流與非同步整流的區別是什么開關電源是通過功率管打開時給電感充電,電感儲能;功率管斷開時,電感釋放能量,從而實現電壓變
寄生電感對Buck電路中開關管的影響介紹LP6451內部集成了兩個MOS管,構成同步Buck電路中所必須的上管和下管,同樣由于PCB上的走線,Die與芯
常見的電平電路轉換方法介紹在我們設計的電路中,不同芯片的引腳使用的電壓不同,比如常見的 1 8V、3 3V、5V 等,我們需要對不同通信電平