
傳真:
18923864027
QQ:
709211280
地址:
深圳市福田區振中路84號愛華科研樓7層
DSP芯片的特點和分類解析DSP(Digital Signal Processing)即數字信號處理技術,DSP芯片即指能夠實現數字信號處理技術的芯片。DSP芯片的內
芯片是什么,芯片內部結構和芯片組成介紹我們通常所說的芯片指內含集成電路的硅片,體積很小,常常是計算機或其他電子設備的一部分。芯片(ch
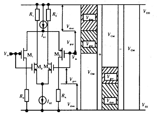
基于軌對軌CMOS運算放大器的設計解析隨著SOC(SystemonChip)的迅速發展,使用深亞微米標準CMOS工藝的模擬集成電路的設計,已成為當前芯片設
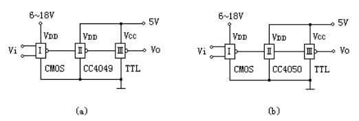
CMOS集成電路的接口電路設計詳解CMOS集成電路是互補型金屬氧化物半導體電路(ComplementaryMetal-Oxide-Semiconductor)的英文字頭縮寫,它由
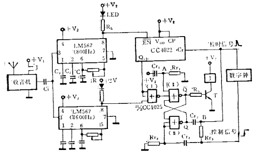
基于LM567和CMOS器件組成的校時電路解析石英數字鐘由于石英晶體的老化、溫度的變化以及其它因素的影響,若長時間不去校正走時,累加起來的
CMOS集成電路低功耗的設計方法解析艾目前,隨著一些便攜式電子系統,如筆記本電腦、PDA、手機等的廣泛應用,集成電路的功耗也被提到與面積
開關二極管的工作原理與電路圖解析在查看電子元器件時,很容易忽略不起眼的二極管,它們沒有隧道、Gunn、變容二極管、齊納二極管和雪崩二極
GaAs二極管在高性能電源轉換中的作用解析GaAs二極管是一種新型寬帶隙功率半導體,它為設計人員提供了一種在高性能功率轉換中權衡效率和成本
二極管整流電路工作原理圖詳解二極管最流行的應用是整流。簡單定義,整流是將交流電(AC)轉換為直流電(DC)。這涉及一種僅允許電荷單向流動的
基于恒電流二極管的LED驅動電路設計解析當前LED照明正逐漸興起,其具有體積小、功耗低、壽命長、節能環保無污染等特征。LED是電流驅動器件
X電容和Y電容的解析安規電容之所以稱之為安規,它是指用于這樣的場合:即電容器失效后,不會導致電擊,也不危及人身安全。安規電容包含X電
用電容器抑制電磁干擾的注意的事項電容器是電路中最基本的元件之一,利用電容濾除電路上的高頻騷擾和對電源解耦是所有電路設計人員都熟悉的