工作中經常要用到LED燈顯示電路,比如怎樣設計出來一個閃爍頻率為2Hz的LED燈閃爍電路?
閃爍頻率為2Hz,也就是說LED燈的閃爍周期為T=1/f=0.5s,也就是500ms,也就是說要求LED燈500ms閃爍一次,即平均秒閃爍兩次。這個要求可實現的辦法有很多,下面列舉幾種常用的例子供大家參考學習。
1 最經典的MCU實現
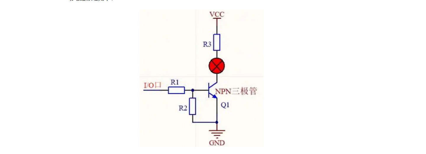
如果我們有處理器(如單片機、DSP、ARM、CPLD或FPGA等)的話,實現LED燈以2Hz的頻率閃爍會變得非常簡單。我們只需要使用處理器的一個I/O口來驅動一個三極管,進而控制LED的亮滅狀態。程序員通過編寫一個簡單的程序,我們可以讓這個I/O口每間隔250毫秒輸出一個高電平,然后接下來的250毫秒輸出一個低電平。這樣,總體上的閃爍周期就是500毫秒,也就是我們所要的2Hz的閃爍頻率。
I/O口的輸出信號呈現一種特定的波形:它實際上是一個頻率為2Hz的方波信號。


下面是用NPN型三極管來控制LED燈的亮滅是一種常見的電路設計方法。在這個電路中,當I/O輸出高電平,三極管的基極接收到高電平時,它會導通,從而使得LED燈亮起;而當I/O輸出低電平,基極接收到低電平時,三極管會截止,LED燈隨之熄滅。


2 使用555定時器
很常見的555定時器,它的功能十分強大,它能夠產生頻率最高達300KHZ且占空比可調的PWM波。對于其作為方波發生器的工作原理,輸出波形的周期是通過以下公式計算的:TH(高電平時間)=ln2×R1×C1,而TL(低電平時間)=ln2×R2×C1,這里的ln2≥0.7。以給出的電阻R1和R2為768KΩ,以及電容C1為470μF為例,我們可以計算出TH和TL各自約為250ms。因此,整個方波的周期T是TH和TL之和,也就是500ms,對應的頻率就是1除以周期T,也就是2Hz。
我們知道555定時器的輸出端具有大約200mA的驅動能力,所以我們只需要在驅動一個LED燈的情況下,我們并不需要額外的三極管等元件來增強它的驅動能力??梢灾苯訉ED燈連接到555定時器的輸出腳(4腳)上,從而實現對LED燈的控制。


3 多諧振蕩器
這是一個非常經典的LED交替閃爍電路,它采用了兩個NPN三極管和電容充放電的原理來實現LED1和LED2之間的交替閃爍效果。如果你只需要控制一個或一組LED,你可以用一個電阻來代替LED2。這個電路是一個多諧振蕩器電路,其中一個三極管在導通狀態下,另一個三極管會截止,通過電容和電阻的耦合作用,這兩個三極管會交替進入導通和截止狀態,從而產生自激振蕩。這種振蕩機制使得LED1和LED2之間能夠實現平滑的交替閃爍效果。
這個電路它的工作原理是基于兩個NPN三極管和電容的充放電過程來實現的。當在上電的瞬間,由于電路兩邊的微小差異,因此兩個三極管導通的時間會有先有后,導致其中一個三極管先導通,而另一個處于截止狀態,形成一個暫時的穩定狀態。以三極管Q1導通、三極管Q2截止為例,此時Q1的集電極(即電容C1的左端)的電壓為0,而Q1的基極電壓約為0.7V。同時,電容C1通過電阻R2進行充電,而電容C2也通過電阻R4進行充電。假設電源電壓VCC是5V,當電容C2充滿電以后,它兩端電壓為4.3V(左端0.7V,右端5V)。由于R4的阻值是遠遠小于R2的,因此電容C2的充電速度要比C1快很多。當C1右端的電壓達到0.7V時,Q2開始導通。此時,電容C2的右端電壓直接被拉低到0V,但由于電容兩端的電壓不能突變,所以電容C2左端的電壓瞬間變為-4.3V,導致Q1立刻截止,形成另一個暫時的穩定狀態。接著,電容C2開始通過電阻R3放電,放完后又開始反向充電。當電容C2左端電壓達到0.7V時,Q1再次導通。同樣地,Q1的導通會使電容C1左端電壓變為0V,進而反饋到電容C2右端電壓變為-4.3V,使Q2截止,然后進入下一個暫穩態。這個過程會不斷重復,從而實現LED1和LED2交替閃爍的效果。


這個多諧振蕩器的振蕩周期T可以通過公式T=0.7(R2C1+R3C2)來計算。由于電阻R2和R3、電容C1和C2的取值相同,所以周期可以簡化為T=1.4×R2×C1。通過調整電容C1、C2以及電阻R2、R3的數值,我們可以改變LED的閃爍頻率。這個電路對于初學者來說可能有一定的理解難度,但大家可以通過實踐逐漸掌握其工作原理。
總結:
本文介紹了三種常用的LED閃爍方案。
第一種方案利用處理器實現,雖然實現過程相對簡單,但前提是原系統中已有處理器可供使用,否則為了單一的LED閃爍功能而單獨設計一個處理器是不經濟的,成本較高。
第二種方案采用555定時器,是一種常用的方法,只需一個555芯片和一些電容電阻即可實現LED閃爍,其原理簡單且成本較低。
第三種方案則是基于經典的多諧振蕩電路,只需兩個三極管和幾個電容電阻即可實現LED交替閃爍,具有較低的成本。
〈烜芯微/XXW〉專業制造二極管,三極管,MOS管,橋堆等,20年,工廠直銷省20%,上萬家電路電器生產企業選用,專業的工程師幫您穩定好每一批產品,如果您有遇到什么需要幫助解決的,可以直接聯系下方的聯系號碼或加QQ/微信,由我們的銷售經理給您精準的報價以及產品介紹
聯系號碼:18923864027(同微信)
QQ:709211280

