MOS管(金屬-氧化物-半導體場效應晶體管(Metal-Oxide-Semiconductor Field-Effect Transistor,簡稱MOSFET)是一種常用的半導體器件,MOS管具有很多優點,例如功耗低、速度快、可靠性高、體積小等特點,因此在電子電路設計中應用非常廣泛。
MOS管可以作為開關、放大器、穩壓器等電路中的關鍵元件,其作用是控制電流的流動,從而實現電路的控制和調節。
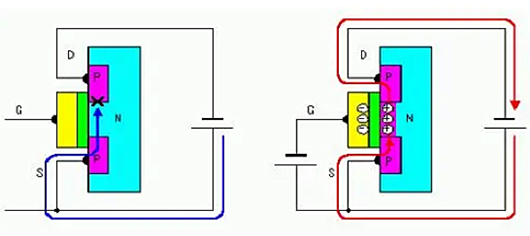
MOS管的原理
MOS管有很多種類,如 nMOS、pMOS、CMOS等,它們之間的差別主要在于使用不同的材料和結構,但是它們的基本原理都是相同的。


MOS管的原理是基于場效應的,即通過控制柵極電場強度,改變半導體中載流子的濃度,從而調節電路的電流。MOS管的結構由金屬柵極、氧化物絕緣層和半導體基底組成。其中金屬柵極是控制電路的關鍵,它被放置在氧化物層上面,與半導體基底隔開。當柵極施加電壓時,會在氧化物層和半導體基底之間形成一個電場,這個電場會影響半導體中的載流子濃度,從而控制電路的電流。


電壓增大時,電場的強度也會增大,從而導致半導體中的電荷分布發生變化。這種變化會導致在半導體表面形成一個電荷溝道,溝道的導電性質會隨著電場強度的變化而發生改變。
在 MOS管的通道中,溝道的導電性質可以被控制。當溝道導電性質良好時,電流可以在 MOS管中自由地流動。反之,當溝道導電性質較差時,電流無法流過 MOS管。這種控制是通過改變金屬柵極上施加的電壓來實現的。當施加電壓變化時,溝道的導電性質也會發生變化,從而導致 MOS管的電阻發生變化。
總之,MOS管的原理就是通過改變金屬柵極上的電壓來控制溝道的導電性質,從而實現對 MOS管中電流的控制。
mos管的作用
MOS管根據不同的工作方式和結構特點,可以分為多種類型,例如N溝道MOS管、P溝道MOS管、增強型MOS管和耗盡型MOS管等。其中N溝道MOS管和P溝道MOS管是最常見的兩種類型,它們的區別在于載流子的類型不同。N溝道MOS管中的載流子為負電子,P溝道MOS管中的載流子為正空穴。
增強型MOS管和耗盡型MOS管則是根據柵極電壓的作用方式不同而區分的,增強型MOS管需要施加正電壓才能使電路導通,而耗盡型MOS管則需要施加負電壓才能使電路導通。
MOS工作在導通區或者截止區的時候可以當開關使用。外加PWM信號可以用于調壓,電機調速等方面。
幾個MOS管搭配可以起到單向導通的作用(類似二極管單向導通),比二極管有優勢的地方是壓降小、功耗低,導通電流大。低電壓大電流的情況下優勢更明顯;
工作在可變電阻區的時候可以當一個電阻使用,一般集成芯片中的電阻就是使用這種方式的電阻,優勢是生產方便,體積小巧。
工作在可變電阻區還可以起到放大的作用,與三極管放大電路類似。
mos管的應用場景:
放大器:MOS管可以用作放大器,它可以放大小信號,從而增強信號的強度。
開關:MOS管可以作為電子開關,它可以在電路中開啟或關閉電路,從而實現電路的控制。
時鐘電路:MOS管可以用于制作時鐘電路,它可以對輸入信號進行處理,從而實現時鐘信號的發生和計數。
通信:MOS管可以作為射頻放大器,放大無線電信號,從而增強信號的傳輸距離和質量。
濾波器:MOS管可以用于制作濾波器,它可以濾除一定頻率范圍的信號,從而實現對信號的頻率選擇性處理。
〈烜芯微/XXW〉專業制造二極管,三極管,MOS管,橋堆等,20年,工廠直銷省20%,上萬家電路電器生產企業選用,專業的工程師幫您穩定好每一批產品,如果您有遇到什么需要幫助解決的,可以直接聯系下方的聯系號碼或加QQ/微信,由我們的銷售經理給您精準的報價以及產品介紹
聯系號碼:18923864027(同微信)
QQ:709211280

