HTRB 高溫反偏測試
高溫反偏測試主要用于驗證長期穩定情況下芯片的漏電流,考驗對象是MOSFET邊緣結構和鈍化層的弱點或退化效應。
測試標準:JESD22-108
測試條件為:Tj = max, Vds=80% of Vdsmax, Vgs=0
測試原理圖如下:

在測試中,需持續監測MOSFET源極-漏極的漏電流,如果漏電流超過 電源 設定上限,則可以判定為失效。
HTGB 高溫門極反偏測試
高溫門極反偏測試主要用于驗證柵極漏電流的穩定性,考驗對象是MOSFET柵極氧化層。
測試標準: JESD22-108
測試條件為:Tj = max, Vgs=100% of Vgsmax, Vds=0
測試原理圖如下:

在測試中,需持續監測門極的漏電流和門極電壓,若這兩項參數超出指定規格,則MOSFET將不能通過此項測試。
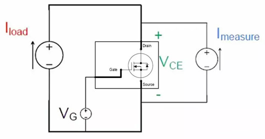
H3TRB 高溫高濕反偏測試
高溫高濕反偏測試,也就是大家熟悉的雙85測試,主要用于測試溫濕度對功率器件長期特性的影響。
測試標準:JESD22A-101
測試條件為:1000個小時,環境溫度85℃,相對濕度85%,VCE=100V
測試原理圖如下:

在這一項測試中,施加的電場主要用于半導體表面離子積累和極性分子的驅動力,但是為了避免測試過程中漏電流產生的溫升降低相對濕度,所以對于MOSFET器件,一般選用100V做為測試電壓,這樣能將芯片的自加熱溫度控制在2℃以內。
應用經驗表明,許多現場失效與濕度有著不可分割的關系,因此引入了高壓高溫高濕反偏測試的討論,即HV-H3TRB測試。隨著MOSFET芯片的技術更新以及部分高可靠性應用的要求,測試電壓可調整為阻斷電壓的100%,保證MOSFET在高濕度應用情況下具有更高的可靠性。
HTSL 高溫存儲測試/LTSL 低溫存儲測試
高溫存儲測試和低溫存儲測試主要用于驗證MSFET封裝結構和材料的完整性。
測試標準:JESD22A-103
測試條件為:高溫 1000個小時,環境溫度:125℃;低溫 1000個小時,環境溫度:-40℃
測試原理圖如下:

測試前后需對比MOSFET靜態性能參數,并檢查封裝外觀是否發生異常。
IOL 間歇運行壽命測試
對比溫度循環,在間歇運行壽命測試中,測試樣品通過流過半導體的電流進行主動加熱至最高目標溫度,然后關斷電流,通過風冷將樣品主動冷卻到最低溫度。循環時間大約為2分鐘。此項測試的目的是確定MOSFET在特定條件下的開關循環次數是否符合規定。
測試標準:MIL-STD-750 : 1037
測試條件為:Ta=25°C, ΔTj>105°C, on/off=2min
測試原理圖如下:

〈烜芯微/XXW〉專業制造二極管,三極管,MOS管,橋堆等,20年,工廠直銷省20%,上萬家電路電器生產企業選用,專業的工程師幫您穩定好每一批產品,如果您有遇到什么需要幫助解決的,可以直接聯系下方的聯系號碼或加QQ/微信,由我們的銷售經理給您精準的報價以及產品介紹
聯系號碼:18923864027(同微信)
QQ:709211280

