同步整流是一種提高DC/DC變換效率的技術,尤其是在低電壓、大電流的應用場合,其效果更為顯著。同步整流技術是通過采用導通電阻較小的MOS管代替DC/DC變換器中的整流二極管,從而提高效率。
就像在通信電源領域,以一款24V/50A輸出,功率為1200W的通信電源為例,假設變換器采用的是全波整流電路。

整流二極管采用的是肖特基二極管,其正向導通壓降是0.3V,正常工作時每個肖特基二極管導通損耗為15W,總計是30W,占據了總功率的2.5%,會嚴重影響變換器的效率。
假設采用的是同步整流技術,選取合適的MOS管代替肖特基二極管,例如MOS管IPB014N06NATMA1,其漏源級擊穿電壓為60V,連續漏極電流為180A,導通電阻僅為1.2mΩ,變換器正常工作時,每個該MOS管導通損耗為3W,總計為6W,占據了總功率的0.5%,可以看出采用同步整流大大降低了損耗,提高了變換器的效率。
同步整流技術對于提高DC/DC變換器的效率的作用毋庸置疑,但是由于其整流管采用MOS管替代二極管,因此電路設計時還需要設計MOS管的驅動電路,增加了電路的復雜度。同時,同步整流采用的MOS管價格成本往往都要高于二極管,因此在設計DC/DC變換器是應綜合考慮效率和成本的問題。
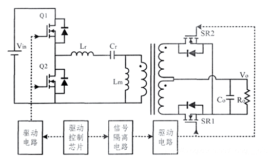
驅動信號要求
為了保證DC/DC變換器同步整流正常有效的工作,設計時對于MOS管驅動電路產生的驅動信號具有一定的要求。
以全波整流電路為例,采用同步整流技術,兩個MOS管的驅動信號為互補信號,同時為了防止兩個MOS管同時導通,造成變壓器副邊短路的情況,通常需要設置一定的死區時間。
而驅動信號的死區時間不宜過長,死區過長將導致電流流過兩個MOS管的體二極管的時間過長,導通損耗增大,影響同步整流的效果。
綜上所述,最為理想同步整流工作狀態是所有的電流均流過MOS管的溝道,而非其體二極管,然而考慮到實際電路的一些情況,比如計生參數以及環境因素等影響,對設計理想的同步整流驅動信號增加了一定的難度。
驅動方式分類
不同的DC/DC變換器電路的拓補,其同步整流驅動方式也有所不同,主要驅動方式分為外驅動和內驅動兩種,其中,外驅動可分為傳統型驅動和檢測漏源極電壓型驅動,內驅動可分為電壓型驅動、電流型驅動以及混合型驅動。
傳統型外驅動通常使用原邊逆變橋的驅動控制芯片產生同步整流管的驅動信號,理想情況下原副邊MOS管驅動信號時序一致,同時由于LLC諧振變換器原副邊存在變壓器,因此SR的驅動信號需要通過隔離電路與原邊進行隔離,
如圖所示,當LLC諧振變換器工作在變壓器副邊電流連續或者臨界連續的狀態時,原邊逆變橋驅動控制芯片產生的驅動信號與副邊電流同步,符合同步整流驅動的要求;當LLC諧振變換器工作在變壓器副邊電流斷續的狀態時,副邊電流一旦下降到零。
由于原邊變橋驅動控制芯片驅動信號依然存在,導致副邊SR依然導通,因此在電流斷續的這段時間,能量將從副邊回流到原邊,最終導致變換器損耗增加,增益下降。
根據上述分析可以得出,傳統型外驅動適用于LLC諧振變換器變壓器副邊電流連續或者臨界連續的工作狀態,并且存在增益受限、副邊SR無法實現零電流關斷軟開關等問題。

檢測漏源極電壓型驅動主要是采用相關集成電路芯片搭建的電路,提供SR驅動信號。目前市場上同步整流IC芯片數量很多,例如STM公司的SRK2000、ON公司的FAN6208、INFINEON公司的IR11682等。
其中,大多數芯片都是撿測SR漏源極電壓的方式來提供驅動信號,以STM公司的SRK2000為例,介紹檢測漏源極電壓型驅動的工作原理。
SRK2000采用SO-8封裝,其引腳數量少,結構簡單,如圖所示,DVS1和DVS2為檢測SR漏源極電壓的引腳,GD1和GD2為驅動SR的引腳。圖為SRK2000工作波形圖,上圖為SR漏源極電壓波形,下圖為SR門極驅動電壓波形。

SR漏源極電壓波形所示,圖中的兩個電壓值,即Vth-on和Vth-off均為DVS1和DVS2檢測判斷閾值。其中,體二極管開始導通的標志,一般為-0.7V,—旦檢測到該值,應立即輸出驅動信號,開通SR;
Vth_〇ff是SR關斷的標志,可以設在-25mV到-12mV之間,一旦檢測到該值,說明此時需要關斷SR,從而達到理想的同步整流效果。
在實際應用時,由于VTH_〇FF閾值電壓很小,電路中又存在寄生參數的影響,導致DVS1、DVS2引腳檢測SR漏源極電壓有偏差,因此可能會發生SR誤關斷的情況,影響同步整流的效果。
〈烜芯微/XXW〉專業制造二極管,三極管,MOS管,橋堆等,20年,工廠直銷省20%,上萬家電路電器生產企業選用,專業的工程師幫您穩定好每一批產品,如果您有遇到什么需要幫助解決的,可以直接聯系下方的聯系號碼或加QQ/微信,由我們的銷售經理給您精準的報價以及產品介紹
聯系號碼:18923864027(同微信)
QQ:709211280

