晶體管的主要參數,如電流放大倍數、基極-發射極電壓、集電極電流等,都與環境溫度密切相關。因此,在晶體管電路中需要采取必要的溫度補償措施,才能獲得較高的穩定性和較寬的使用環境溫度范圍。
采用NTC熱敏電阻器的晶體管溫度補償電路,普遍存在高溫(一般在50℃以上)補償不足、輸入阻抗隨溫度升高而下降,功耗較大等缺點。PTC熱敏電阻 晶體管溫度補償電路能克服上述缺點,擴大晶體管使用環境溫度范圍。
原理電路

圖 三種接法的基本補償電路
圖(a)(b)(c) 為三種不同接法的晶體管基本補償電路,適用于不同的晶體管及工作電流,以求保證在較寬的溫度范圍內的最佳補償效果。
此外,圖(b)和圖(c)除有穩定工作電流的作用外, 還兼有過熱過流保護的功能,即當電流或環境溫度超過設定值時,RT阻值劇增,從而使使晶體管截止。
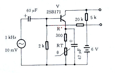
應用舉例
晶體管放大電路

圖 晶體管放大電路
圖為采用PTC熱敏電阻的晶體管放大電路。 圖中RT為25℃時阻值180Ω的PTC熱敏電阻,當環境溫度變化時,其阻值隨之變化使晶體管發射極電壓呈反向變化,從而使集電極電流保持穩定。

圖 Ia、Av隨環境溫度Ta的變化
圖是環境溫度在-20~+60℃范圍內,集電極電流Ic及電壓放大系數Av的變化情況。
圖中,曲線1、3是采用了PTC熱敏電阻的補償結果,曲線2、4是沒有采用PTC熱敏電阻補償的結果。
由于引入了PTC熱敏電阻器,集電極電流Ic及電壓放大系數Av抗環境溫度影響的能力得到顯著改進。
電話:18923864027(同微信)
QQ:709211280
〈烜芯微/XXW〉專業制造二極管,三極管,MOS管,橋堆等,20年,工廠直銷省20%,上萬家電路電器生產企業選用,專業的工程師幫您穩定好每一批產品,如果您有遇到什么需要幫助解決的,可以直接聯系下方的聯系號碼或加QQ/微信,由我們的銷售經理給您精準的報價以及產品介紹

