使用PWM輸出方式驅動有刷直流電機:H橋恒流驅動。
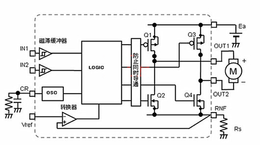
這是有刷直流電機PWM的H橋恒流驅動電路示例。這是普通的驅動器電路,可以使用內置的比較器進行電機電流的ON/OFF控制,即PWM控制。

連接到功率晶體管(MOSFET)的GND側(RNF引腳)的電阻Rs是用來檢測電流的電阻。內置的比較器會對該Rs產生的電壓與基準電壓設置引腳(Vref)的電壓進行比較。
當RNF引腳電壓超過Vref電壓時,比較器的輸出變為L,并會關斷供給電流的電源側的功率晶體管。
在供給或停止電流時,晶體管的ON/OFF狀態會因工作模式(例如正轉或反轉)而異,但是不管怎樣,都將由Vref、Rs和比較器來負責是否使電流流過電機的切換。
關斷時間(toff)通過對振蕩器(OSC)頻率進行計數的方法來設置,在關斷期間內電流會再生。當過了設置的關斷時間時,已關斷的功率晶體管將再次導通并供給電流。
通過重復該過程,可以通過以Vref電壓÷Rs值為峰值電流(Ipeak)的恒流控制使電機旋轉。右圖是表示電機電流、Rs電流和RNF電壓的波形。
需要注意的是,由于在再生電流流動期間Rs中沒有電流流過,因此在電流重新供給時,Rs中會產生較大的電流變化,可能會因寄生電感而產生產生較大的電壓噪聲,或功率晶體管的寄生電容的充電電流流過并超過Vref電壓。

需要設置很短的消隱時間(tblnk),來避免功率晶體管因該電壓噪聲而不進行OFF動作。
消隱時間的設置需要注意不僅要避免電流ON/OFF時的電壓噪聲引發誤動作,還要避免切換電機旋轉狀態時的電壓噪聲引發誤動作。消隱時間可以通過驅動器IC進行優化或調整。
關鍵要點:
有刷直流電機H橋恒流驅動的一種方法是使用電流檢測電阻檢測電機電流,并通過比較器將其與基準電壓進行比較的PWM控制方法。
在使用上述方法驅動有刷直流電機時,由于電流檢測電阻中會產生較大的電流變化,因此可能會產生噪聲電壓并引發誤動作。
在使用上述方法驅動有刷直流電機時,有一種通過設置消隱時間來抑制誤動作的方法。
電話:18923864027(同微信)
QQ:709211280
〈烜芯微/XXW〉專業制造二極管,三極管,MOS管,橋堆等,20年,工廠直銷省20%,上萬家電路電器生產企業選用,專業的工程師幫您穩定好每一批產品,如果您有遇到什么需要幫助解決的,可以直接聯系下方的聯系號碼或加QQ/微信,由我們的銷售經理給您精準的報價以及產品介紹

