整流電路也分四種類型。
第一種是半波整流,半波整流電路一般情況下只需要一個二極管。詳細的情況我們可以看下下面的圖 1,在圖 1 中你能看到在交流電正半周時 VD 導通,負半周時 VD 截止,負載 R 上得到的是脈動的直流電。


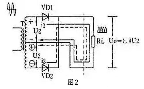
第二種是全波整流,全波整流則是要用到二個二極管,工程上也會要求需要有帶中心抽頭的兩個次級線圈,這兩個次級線圈需要圈數相同,以保證相同的電阻。詳細的情況我們可以看下圖 2,負載 RL 得到的就是全波整流電流,輸出電壓比半波整流電路要高。


第三種就是我們常見的全波橋式整流,像我們的整流橋一般情況下也都是全波橋式整流,全波橋式整流用的是 4 個二極管組成的橋式電路,這種電路只能有單個次級線圈的變壓器。見圖 3,負載上的電流波形和輸出電壓值與第二種全波整流電路是完全相同的。


最后一種就是倍壓整流。這種整流電路會用多個二極管和電容器來獲得較高的直流電壓。
烜芯微專業制造二極管,三極管,MOS管,橋堆等20年,工廠直銷省20%,4000家電路電器生產企業選用,專業的工程師幫您穩定好每一批產品,如果您有遇到什么需要幫助解決的,可以點擊右邊的工程師,或者點擊銷售經理給您精準的報價以及產品介紹
烜芯微專業制造二極管,三極管,MOS管,橋堆等20年,工廠直銷省20%,4000家電路電器生產企業選用,專業的工程師幫您穩定好每一批產品,如果您有遇到什么需要幫助解決的,可以點擊右邊的工程師,或者點擊銷售經理給您精準的報價以及產品介紹

