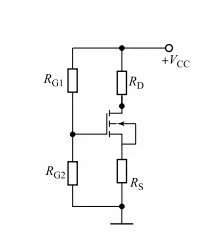
1.電路結構
12為旁路電容,RG1?RG2為分壓電阻,RG2上的壓降為場效應管的柵極提供偏置電壓,故該電路稱為分壓式自偏壓放大電路?RG3上沒有電流,對電路的靜態工作點沒有影響,RD為源極電阻?
2.靜態分析
主要求解場效應管的IDQ?UGSQ?UDSQ如圖1所示電路的直流通路如圖2所示,由于RG3上沒有電流,故沒有繪制在直流通路中?
圖1分壓式自偏壓放大電路


圖2電路的直流通路


3.動態分析
如圖1所示電路的小信號等效電路如圖3所示?
圖3電路的小信號等效電路

烜芯微專業制造二極管,三極管,MOS管,橋堆等,20年,工廠直銷省20%,1500家電路電器生產企業選用,專業的工程師幫您穩定好每一批產品,如果您有遇到什么需要幫助解決的,可以直接聯系上方的聯系號碼或加QQ,由我們的銷售經理給您精準的報價以及產品介紹

