三極管有靜態和動態兩種工作狀態。未加信號時三極管的直流工作狀態稱為靜態,此時各極電流稱為靜態電流,給三極管加入交流信號之后的工作電流稱為動態工作電流,這時三極管是交流工作狀態,即動態。
一個完整的三極管電路分析有四步:直流電路分析、交流電路分析、元器件和修理識圖。
一、直流電路分析方法
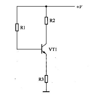
直流工作電壓加到三極管各個電極上主要通過兩條直流電路:一是三極管集電極與發射極之間的直流電路,二是基極直流電路。通過這一步分析可以搞清楚直流工作電壓是如何加到集電極、基極和發射極上的。如圖所示,是放大器直流電路分析示意圖。對于一個單級放大器而言,其直流電路分析主要是圖中所示的三個部分。

分析三極管直流電路時,由于電路中的電容具有隔直流特性,所以可以將它們看成開路,這樣上圖所示電路就可以畫成如下圖所示的直流等效電路,再用這一等效電路進行直流電路分析就相當簡潔了。

二、交流電路分析方法
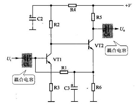
交流電路分析主要是交流信號的傳輸路線分析,即信號從哪里輸入到放大器中,信號在這級放大器中具體經過了哪些元器件,信號最終從哪里輸出。如圖所示,是交流信號傳輸路線分析示意圖。

另外還要分析信號在傳輸過程中受到了哪些處理,如信號在哪個環節放大,在哪個環節受到衰減,哪個環節不放大也不衰減,信號是否受到了補償等。
上圖電路中的信號經過了C1、VT1、C3、VT2和C4,其中C1、C3和C4是耦合電容,對信號沒有放大和衰減作用,只是起著將信號傳輸到下級電路中的耦合作用,VT1和VT2對信號起了放大作用。
三、元器件作用分析方法
1、元器件特性是電路分析關鍵
分析電路中元器件的作用時,應依據該元器件的主要特性來進行。例如,耦合電容讓交流信號無損耗的通過,而同時隔斷直流通路,這一分析的理論根據是電容隔直通交特性。
2、元器件在電路中具體作用
電路中的每個元器件都有它的特定作用,通常一個元器件起一種特定的作用,當然也有一個元器件在電路中起兩個作用的。在電路分析中要求搞懂每一個元器件在電路中的具體作用。
3、元器件簡化分析方法
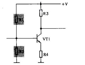
對元器件作用的分析可以進行簡化,掌握了元器件在電路中的作用后,不必每次對各個元器件都進行詳細分析。例如,掌握耦合電容的作用之后,不必對每一個耦合電容都進行分析。如圖所示,是耦合電容分析示意圖。

四、修理識圖方法
修理識圖為檢修電路故障服務,這一識圖要求在完全搞懂電路工作原理之后進行,否則沒有意義。因為故障現象明確,因此故障檢修過程中的修理識圖可以有針對性的選擇電路中的元器件進行,而不需要對電路中的每個元器件都進行故障分析。
分析時,找出電路中的主要元器件,并分別假設它們出現開路、短路、阻值變大和變小等故障,分析這種故障對直流電路和交流電路的影響,從而推理出可能的故障根源。
修理識圖的關鍵是找出電路中關鍵測試點:
1、單級放大器關鍵測試點
如圖所示,單級放大器主要是三極管的關鍵測試點。

三極管的關鍵測試點用來測量三個電極的直流工作電壓,其中集電極是第一測試點,其次是基極,第三是發射極。
2、集成電路關鍵測試點
如圖所示,集成電路關鍵測試點最重要的是電源引腳,還有輸入信號引腳和輸出信號引腳。例如,電路中的⑧腳是電源引腳,①腳是信號輸入引腳,⑥腳是信號輸出引腳。

五、三極管基極偏置電路分析方法
三極管基極偏置電路分析最為困難,掌握一些電路分析方法可以方便基極偏置電路的分析。
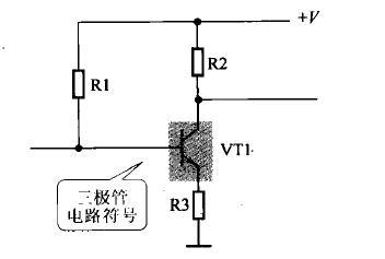
1、電路分析的第一步是在電路中找出三極管的電路符號,如圖所示,然后在三極管電路符號中后找出基極,這是分析基極偏置電路的關鍵一步。

2、第二步從基極出發,將與基極和電源端(+V端或-V端)相連的所有元器件找出來,如圖所示,電路中的R1,再將基極與地端相連的所有元器件找出來,如電路中的R2,這些元器件構成基極偏置電路的主體電路。

上述與基極相連的元器件中,要區別哪些元器件可能是偏置電路中的元器件。電阻器有可能構成偏置電路,電容器具有隔直作用而視為開路,所以在分析基極直流偏置電路時,不必考慮電容器。
3、第三步確定偏置電路中的元器件后,進行基極電流回路的分析,如圖所示。基極電流回路是:直流工作電壓+V→偏置電阻R1→VT1基極→VT1發射極→VT1發射極電阻R3→地端

烜芯微專業制造二極管,三極管,MOS管,橋堆等,20年,工廠直銷省20%,1500家電路電器生產企業選用,專業的工程師幫您穩定好每一批產品,如果您有遇到什么需要幫助解決的,可以直接聯系上方的聯系號碼或加QQ,由我們的銷售經理給您精準的報價以及產品介紹

