開關模式電源采用固定、可調或與外部時鐘同步的頻率進行開關轉換。開關頻率值決定了電源電容和電感的外形尺寸,因此也決定了其成本。為設計出小型低成本電路,設計人員開始使用更高的開關頻率。
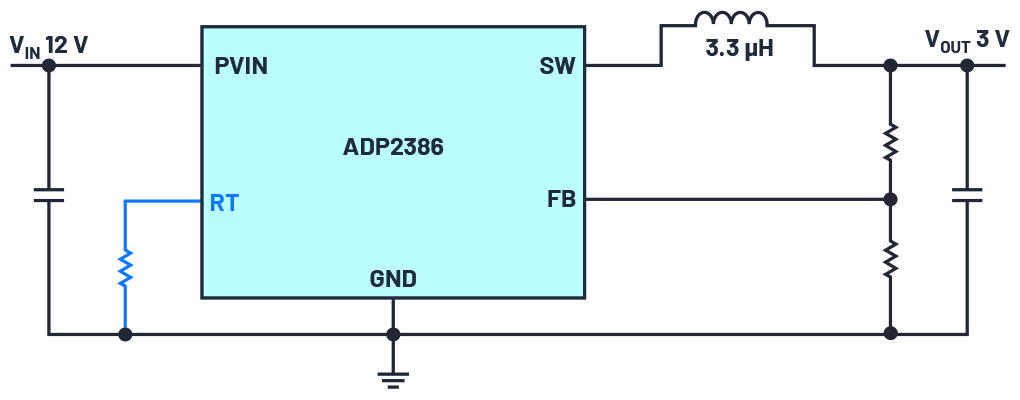
根據其數據手冊技術規格,開關穩壓器IC中內置的振蕩器通常可用于非常寬的頻率范圍。例如:單片 ADP2386 降壓變換器IC可確保其開關頻率在設定值的±10%范圍內。其他常用的開關穩壓器IC則指定為設定值的±20%或更高范圍。由于ADP2386開關頻率具有±10%的變化范圍,在極端情況下,ADP2386使用RT將開關頻率設置為600 kHz,即可在540 kHz和660 kHz頻率下進行開關轉換。
在設計電路時,必須考慮到開關頻率可能會有20%的變化,由于流經電感的峰值電流會隨實際開關頻率有所不同,因此,電感電流紋波會直接影響輸出電壓紋波。

圖1.ADP2386降壓變換器,其開關頻率由電阻RT設置
圖2顯示了開關頻率對電感電流紋波的影響。圖中,600 kHz的標稱開關頻率以藍色顯示。最小(540 kHz)開關頻率以紫色顯示,最大(660 kHz)開關頻率以綠色顯示。在600 kHz的標稱設置頻率下,當穩壓器在540 kHz頻率下開關時,可以看到峰峰紋波電流為1.27 A。但是,在600 kHz的相同頻率設置下,開關穩壓器也能夠在660 kHz頻率下開關,相應的紋波電流為1.05 A。在此例中,220 mA的線圈電流紋波差異可能是由于電路中不同組件的開關頻率變化導致的。這已經超過了整個允許的溫度范圍。
開關穩壓器的限流值設置必須考慮這個因素。峰值電流必須足夠低,才能確保在正常運行期間不會激活現有的任何過流保護。
請注意,本例未考慮所有其他可能出現的變化因素,如電感和電容值變化。

圖2.受開關頻率變化影響的峰到峰線圈電流紋波
圖3顯示了不同的電流紋波變化的相應輸出電壓紋波值。電路設計為開關頻率為600 kHz時產生4.41 mV紋波電壓。在540 kHz開關頻率下,紋波電壓為5.45 mV;在660 kHz開關頻率下,紋波電壓為3.66 mV。
本例中,考慮的唯一變量就是允許的溫度范圍內開關頻率的變化。在實際應用中,可能存在許多其他變量,如電感和電容的實際值變化。這些亦受工作溫度的影響。但是,我們也可以假設,在大多數情況下,開關頻率的實際變化不會達到±10%的限值。通常,開關頻率會在指定范圍中間的典型值附近變化。為了系統地考慮電源中的所有動態變量,我們可以通過蒙特卡羅分析找到答案。其中不同分量和變量參數的變化根據其發生的概率進行加權,并相互關聯。使用ADI公司免費提供的 LTspice®仿真軟件 可進行蒙特卡羅分析。

圖3.在開關模式穩壓器IC中,開關頻率變化導致的輸出電壓紋波變化
烜芯微專業制造二極管,三極管,MOS管,橋堆等20年,工廠直銷省20%,4000家電路電器生產企業選用,專業的工程師幫您穩定好每一批產品,如果您有遇到什么需要幫助解決的,可以點擊右邊的工程師,或者點擊銷售經理給您精準的報價以及產品介紹
烜芯微專業制造二極管,三極管,MOS管,橋堆等20年,工廠直銷省20%,4000家電路電器生產企業選用,專業的工程師幫您穩定好每一批產品,如果您有遇到什么需要幫助解決的,可以點擊右邊的工程師,或者點擊銷售經理給您精準的報價以及產品介紹

