半導體發光器件包括半導體發光二極管(簡稱LED)、數碼管、符號管、米字管及點陣式顯示屏(簡稱矩陣管)等。事實上,數碼管、符號管、米字管及矩陣管中的每個發光單元都是一個發光二極管。
一、 半導體發光二極管工作原理、特性及應用(一)LED發光原理
發光二極管是由Ⅲ-Ⅳ族化合物,如GaAs(砷化鎵)、GaP(磷化鎵)、GaAsP(磷砷化鎵)等半導體制成的,其核心是PN結。因此它具有一般P-N結的I-N特性,即正向導通,反向截止、擊穿特性。此外,在一定條件下,它還具有發光特性。在正向電壓下,電子由N區注入P區,空穴由P區注入N區。進入對方區域的少數載流子(少子)一部分與多數載流子(多子)復合而發光,如圖1所示。


半導體發光二極管工作原理、特性及應用
假設發光是在P區中發生的,那么注入的電子與價帶空穴直接復合而發光,或者先被發光中心捕獲后,再與空穴復合發光。除了這種發光復合外,還有些電子被非發光中心(這個中心介于導帶、介帶中間附近)捕獲,而后再與空穴復合,每次釋放的能量不大,不能形成可見光。發光的復合量相對于非發光復合量的比例越大,光量子效率越高。由于復合是在少子擴散區內發光的,所以光僅在靠近PN結面數μm以內產生。
理論和實踐證明,光的峰值波長λ與發光區域的半導體材料禁帶寬度Eg有關,即
λ≈1240/Eg(mm)
式中Eg的單位為電子伏特(eV)。若能產生可見光(波長在380nm紫光~780nm紅光),半導體材料的Eg應在3.26~1.63eV之間。比紅光波長長的光為紅外光。現在已有紅外、紅、黃、綠及藍光發光二極管,但其中藍光二極管成本、價格很高,使用不普遍。
(二)LED的特性
1.極限參數的意義
(1)允許功耗Pm:允許加于LED兩端正向直流電壓與流過它的電流之積的最大值。超過此值,LED發熱、損壞。
(2)最大正向直流電流IFm:允許加的最大的正向直流電流。超過此值可損壞二極管。
(3)最大反向電壓VRm:所允許加的最大反向電壓。超過此值,發光二極管可能被擊穿損壞。
(4)工作環境topm:發光二極管可正常工作的環境溫度范圍。低于或高于此溫度范圍,發光二極管將不能正常工作,效率大大降低。
2.電參數的意義
(1)光譜分布和峰值波長:某一個發光二極管所發之光并非單一波長,其波長大體按圖2所示。


半導體發光二極管工作原理、特性及應用
由圖可見,該發光管所發之光中某一波長λ0的光強最大,該波長為峰值波長。
(2)發光強度IV:發光二極管的發光強度通常是指法線(對圓柱形發光管是指其軸線)方向上的發光強度。若在該方向上輻射強度為(1/683)W/sr時,則發光1坎德拉(符號為cd)。由于一般LED的發光二強度小,所以發光強度常用坎德拉(mcd)作單位。(3)光譜半寬度Δλ:它表示發光管的光譜純度.是指圖3中1/2峰值光強所對應兩波長之間隔.
(4)半值角θ1/2和視角:θ1/2是指發光強度值為軸向強度值一半的方向與發光軸向(法向)的夾角。
半值角的2倍為視角(或稱半功率角)。


半導體發光二極管工作原理、特性及應用
圖3給出的二只不同型號發光二極管發光強度角分布的情況。中垂線(法線)AO的坐標為相對發光強度(即發光強度與最大發光強度的之比)。顯然,法線方向上的相對發光強度為1,離開法線方向的角度越大,相對發光強度越小。由此圖可以得到半值角或視角值。
(5)正向工作電流If:它是指發光二極管正常發光時的正向電流值。在實際使用中應根據需要選擇IF在0.6·IFm以下。
(6)正向工作電壓VF:參數表中給出的工作電壓是在給定的正向電流下得到的。一般是在IF=20mA時測得的。發光二極管正向工作電壓VF在1.4~3V。在外界溫度升高時,VF將下降。
(7)V-I特性:發光二極管的電壓與電流的關系可用圖4表示。


半導體發光二極管工作原理、特性及應用
在正向電壓正小于某一值(叫閾值)時,電流極小,不發光。當電壓超過某一值后,正向電流隨電壓迅速增加,發光。由V-I曲線可以得出發光管的正向電壓,反向電流及反向電壓等參數。正向的發光管反向漏電流IR<10μA以下。
(三)LED的分類
1. 按發光管發光顏色分
按發光管發光顏色分,可分成紅色、橙色、綠色(又細分黃綠、標準綠和純綠)、藍光等。另外,有的發光二極管中包含二種或三種顏色的芯片。
根據發光二極管出光處摻或不摻散射劑、有色還是無色,上述各種顏色的發光二極管還可分成有色透明、無色透明、有色散射和無色散射四種類型。散射型發光二極管和達于做指示燈用。
2. 按發光管出光面特征分
按發光管出光面特征分圓燈、方燈、矩形、面發光管、側向管、表面安裝用微型管等。圓形燈按直徑分為φ2mm、φ4.4mm、φ5mm、φ8mm、φ10mm及φ20mm等。國外通常把φ3mm的發光二極管記作T-1;把φ5mm的記作T-1(3/4);把φ4.4mm的記作T-1(1/4)。
由半值角大小可以估計圓形發光強度角分布情況。從發光強度角分布圖來分有三類:
(1)高指向性。一般為尖頭環氧封裝,或是帶金屬反射腔封裝,且不加散射劑。半值角為5°~20°或更小,具有很高的指向性,可作局部照明光源用,或與光檢出器聯用以組成自動檢測系統。
(2)標準型。通常作指示燈用,其半值角為20°~45°。
(3)散射型。這是視角較大的指示燈,半值角為45°~90°或更大,散射劑的量較大。
3.按發光二極管的結構分
按發光二極管的結構分有全環氧包封、金屬底座環氧封裝、陶瓷底座環氧封裝及玻璃封裝等結構。
4.按發光強度和工作電流分
按發光強度和工作電流分有普通亮度的LED(發光強度<10mcd);超高亮度的LED(發光強度>100mcd);把發光強度在10~100mcd間的叫高亮度發光二極管。
一般LED的工作電流在十幾mA至幾十mA,而低電流LED的工作電流在2mA以下(亮度與普通發光管相同)。
除上述分類方法外,還有按芯片材料分類及按功能分類的方法。
(四)LED的應用
由于發光二極管的顏色、尺寸、形狀、發光強度及透明情況等不同,所以使用發光二極管時應根據實際需要進行恰當選擇。
由于發光二極管具有最大正向電流IFm、最大反向電壓VRm的限制,使用時,應保證不超過此值。為安全起見,實際電流IF應在0.6IFm以下;應讓可能出現的反向電壓VR<0。6VRm。
LED被廣泛用于種電子儀器和電子設備中,可作為電源指示燈、電平指示或微光源之用。紅外發光管常被用于電視機、錄像機等的遙控器中。
(1)利用高亮度或超高亮度發光二極管制作微型手電的電路如圖5所示。圖中電阻R限流電阻,其值應保證電源電壓最高時應使LED的電流小于最大允許電流IFm。


半導體發光二極管工作原理、特性及應用
(2)圖6(a)、(b)、(c)分別為直流電源、整流電源及交流電源指示電路。
圖(a)中的電阻≈(E-VF)/IF;
圖(b)中的R≈(1.4Vi-VF)/IF;
圖(c)中的R≈Vi/IF
式中,Vi——交流電壓有效值。


半導體發光二極管工作原理、特性及應用
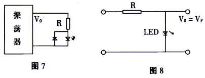
(3)單LED電平指示電路。在放大器、振蕩器或脈沖數字電路的輸出端,可用LED表示輸出信號是否正常,如圖7所示。R為限流電阻。只有當輸出電壓大于LED的閾值電壓時,LED才可能發光。


半導體發光二極管工作原理、特性及應用
(4)單LED可充作低壓穩壓管用。由于LED正向導通后,電流隨電壓變化非常快,具有普通穩壓管穩壓特性。發光二極管的穩定電壓在1.4~3V間,應根據需要進行選擇VF,如圖8所示。
(5)電平表。目前,在音響設備中大量使用LED電平表。它是利用多只發光管指示輸出信號電平的,即發光的LED數目不同,則表示輸出電平的變化。圖9是由5只發光二極管構成的電平表。當輸入信號電平很低時,全不發光。輸入信號電平增大時,首先LED1亮,再增大LED2亮……。


半導體發光二極管工作原理、特性及應用
(五)發光二極管的檢測
1.普通發光二極管的檢測
(1)用萬用表檢測。利用具有×10kΩ擋的指針式萬用表可以大致判斷發光二極管的好壞。正常時,二極管正向電阻阻值為幾十至200kΩ,反向電阻的值為∝。如果正向電阻值為0或為∞,反向電阻值很小或為0,則易損壞。這種檢測方法,不能實地看到發光管的發光情況,因為×10kΩ擋不能向LED提供較大正向電流。
如果有兩塊指針萬用表(最好同型號)可以較好地檢查發光二極管的發光情況。用一根導線將其中一塊萬用表的“+”接線柱與另一塊表的“-”接線柱連接。余下的“-”筆接被測發光管的正極(P區),余下的“+”筆接被測發光管的負極(N區)。兩塊萬用表均置×10Ω擋。正常情況下,接通后就能正常發光。若亮度很低,甚至不發光,可將兩塊萬用表均撥至×1Ω若,若仍很暗,甚至不發光,則說明該發光二極管性能不良或損壞。應注意,不能一開始測量就將兩塊萬用表置于×1Ω,以免電流過大,損壞發光二極管。
(2)外接電源測量。用3V穩壓源或兩節串聯的干電池及萬用表(指針式或數字式皆可)可以較準確測量發光二極管的光、電特性。為此可按圖10所示連接電路即可。如果測得VF在1.4~3V之間,且發光亮度正常,可以說明發光正常。如果測得VF=0或VF≈3V,且不發光,說明發光管已壞。


半導體發光二極管工作原理、特性及應用
2.紅外發光二極管的檢測
由于紅外發光二極管,它發射1~3μm的紅外光,人眼看不到。通常單只紅外發光二極管發射功率只有數mW,不同型號的紅外LED發光強度角分布也不相同。紅外LED的正向壓降一般為1.3~2.5V。正是由于其發射的紅外光人眼看不見,所以利用上述可見光LED的檢測法只能判定其PN結正、反向電學特性是否正常,而無法判定其發光情況正常否。為此,最好準備一只光敏器件(如2CR、2DR型硅光電池)作接收器。用萬用表測光電池兩端電壓的變化情況。來判斷紅外LED加上適當正向電流后是否發射紅外光。其測量電路如圖11所示。


半導體發光二極管工作原理、特性及應用
二、LED顯示器結構及分類
通過發光二極管芯片的適當連接(包括串聯和并聯)和適當的光學結構。可構成發光顯示器的發光段或發光點。由這些發光段或發光點可以組成數碼管、符號管、米字管、矩陣管、電平顯示器管等等。通常把數碼管、符號管、米字管共稱筆畫顯示器,而把筆畫顯示器和矩陣管統稱為字符顯示器。
(一)LED顯示器結構
基本的半導體數碼管是由七個條狀發光二極管芯片按圖12排列而成的。可實現0~9的顯示。其具體結構有“反射罩式”、“條形七段式”及“單片集成式多位數字式”等。


半導體發光二極管工作原理、特性及應用
(1)反射罩式數碼管一般用白色塑料做成帶反射腔的七段式外殼,將單個LED貼在與反射罩的七個反射腔互相對位的印刷電路板上,每個反射腔底部的中心位置就是LED芯片。在裝反射罩前,用壓焊方法在芯片和印刷電路上相應金屬條之間連好φ30μm的硅鋁絲或金屬引線,在反射罩內滴入環氧樹脂,再把帶有芯片的印刷電路板與反射罩對位粘合,然后固化。
反射罩式數碼管的封裝方式有空封和實封兩種。實封方式采用散射劑和染料的環氧樹脂,較多地用于一位或雙位器件。空封方式是在上方蓋上濾波片和勻光膜,為提高器件的可靠性,必須在芯片和底板上涂以透明絕緣膠,這還可以提高光效率。這種方式一般用于四位以上的數字顯示(或符號顯示)。
(2)條形七段式數碼管屬于混合封裝形式。它是把做好管芯的磷化鎵或磷化鎵圓片,劃成內含一只或數只LED發光條,然后把同樣的七條粘在日字形“可伐”框上,用壓焊工藝連好內引線,再用環氧樹脂包封起來。
(3)單片集成式多位數字顯示器是在發光材料基片上(大圓片),利用集成電路工藝制作出大量七段數字顯示圖形,通過劃片把合格芯片選出,對位貼在印刷電路板上,用壓焊工藝引出引線,再在上面蓋上“魚眼透鏡”外殼。它們適用于小型數字儀表中。
(4)符號管、米字管的制作方式與數碼管類似。
(5)矩陣管(發光二極管點陣)也可采用類似于單片集成式多位數字顯示器工藝方法制作。
(二)LED顯示器分類
(1)按字高分:筆畫顯示器字高最小有1mm(單片集成式多位數碼管字高一般在2~3mm)。其他類型筆畫顯示器最高可達12.7mm(0.5英寸)甚至達數百mm。
(2)按顏色分有紅、橙、黃、綠等數種。
(3)按結構分,有反射罩式、單條七段式及單片集成式。(4)從各發光段電極連接方式分有共陽極和共陰極兩種。
所謂共陽方式是指筆畫顯示器各段發光管的陽極(即P區)是公共的,而陰極互相隔離。
所謂共陰方式是筆畫顯示器各段發光管的陰極(即N區)是公共的,而陽極是互相隔離的。如圖13所示。


半導體發光二極管工作原理、特性及應用
(三)LED顯示器的參數
由于LED顯示器是以LED為基礎的,所以它的光、電特性及極限參數意義大部分與發光二極管的相同。但由于LED顯示器內含多個發光二極管,所以需有如下特殊參數:
1.發光強度比
由于數碼管各段在同樣的驅動電壓時,各段正向電流不相同,所以各段發光強度不同。所有段的發光強度值中最大值與最小值之比為發光強度比。比值可以在1.5~2.3間,最大不能超過2.5。
2.脈沖正向電流
若筆畫顯示器每段典型正向直流工作電流為IF,則在脈沖下,正向電流可以遠大于IF。脈沖占空比越小,脈沖正向電流可以越大。
(四)LED顯示器的應用指南
1.七段數碼顯示器
(1)如果數碼宇航局為共陽極形式,那么它的驅動級應為集電極開路(OC)結構,如圖14(a)所示。


如果數碼管為共陰極形式,它的驅動級應為射極輸出或源極輸出電路,如圖14(b)所示。
半導體發光二極管工作原理、特性及應用
例如國產TTL集成電路CT1049、CT4049為集電極開路形式七段字形譯碼驅動電路;而CMOS集成電路CC4511為源極輸出七段鎖存、譯碼驅動電路。
(2)控制數碼管驅動級的控制電路(也稱驅動電路)有靜態式和動態式兩類。
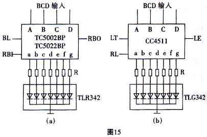
① 靜態驅動:靜態驅動也稱直流驅動。靜態驅動是指每個數碼管各用一個筆畫譯碼器(如BCD碼二-十進制譯碼器)譯碼驅動。圖15是一位數碼管的靜態驅動之例。圖集成電路TC5002BP內含有射極輸出驅動級,所以采用共陰極數碼管。A、B、C、D端為BCD碼(二-十進制的8421碼)輸入端,BL為數碼管熄滅及顯示狀態控制端,R為外接電阻。


半導體發光二極管工作原理、特性及應用
圖16為N位數字靜態驅動顯示電路。


半導體發光二極管工作原理、特性及應用
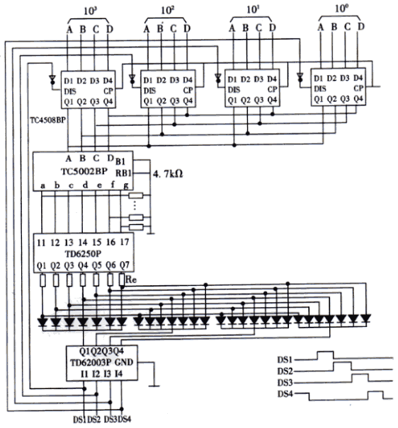
② 動態驅動:動態驅動是將所有數碼管使用一個專門的譯碼驅動器,使各位數碼管逐個輪流受控顯示,這就是動態驅動。由于掃描速度極快。顯示效果與靜態驅動相同。圖17是一種四位數字動態驅動(脈搏沖驅動)方法的線路。圖中只用了一個譯碼驅動電路TC5002BP。


半導體發光二極管工作原理、特性及應用
TC4508BP內含兩個鎖存器,每個鎖存器可鎖存四位二進BCD碼,對應于四位十進制數的四組BCD碼分別輸入到四個鎖存器,四個鎖存器,四組BCD碼由四個鎖存器分時輪流輸出進入譯碼器,譯碼后進入數碼管驅動級集成電路TD62505P(輸入端I1~I7與輸出端Q1~Q7一一對應)。Q1~Q7分別加到四個數碼管的a~g七個陽極上。數字驅動電路TD62003P是由達林頓構成的陣列電路,Q1~Q4中哪一端接地,由輸入端I1~I4的四師長“使能”信號DS1~DS4控制。由于四個鎖存器的輪換輸出也是受“使能”信號DS1~DS4控制。所以四個數碼管輪流通電顯示。由于輪流顯示頻率較高,故顯示的數字不呈閃爍現象。
2.米字管、符號管顯示器
米字管和符號管的結構原理相機,所以其驅動方式也基本相同,只是譯碼電路的譯碼過程與七段譯碼器不同。
米字管可以顯示包括英文字母在內的多種符號。符號管主要是用來顯示+、-或±號等。
3.LED點陣式顯示器
LED點陣式顯示器與由單個發光二極管連成的顯示器相比,具有焊點少、連線少,所有亮點在同平面、亮度均勻、外形美觀等優點。
點陣管根據其內部LED尺寸的大小、數量的多少及發光強度、顏色等可分為多種規格。圖18所示是具有代表性的P2057A和P2157A兩種φ5高亮度橙紅色5×7點陣組件。采用雙列直插14腳封裝,兩種顯示器的差別是LED極性不同,如圖18所示。


半導體發光二極管工作原理、特性及應用
該顯示器用掃描驅動方式,選擇較大峰值電流和窄脈沖作驅動源,每個LED的平均電流不應超過20mA。
LED點陣管可以代替數碼管、符號管和米字管。不僅可以顯示數字,也可顯示所有西文字母和符號。如果將多塊組合,可以構成大屏幕顯示屏,用于漢字、圖形、圖表等等的顯示。被廣泛用于機場、車站、碼頭、銀行及許多公共場所的指示、說明、廣告等場合。
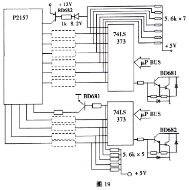
圖19是一個LED點陣顯示器驅動電路之例。


半導體發光二極管工作原理、特性及應用
烜芯微專業制造二極管,三極管,MOS管,橋堆等20年,工廠直銷省20%,4000家電路電器生產企業選用,專業的工程師幫您穩定好每一批產品,如果您有遇到什么需要幫助解決的,可以點擊右邊的工程師,或者點擊銷售經理給您精準的報價以及產品介紹
烜芯微專業制造二極管,三極管,MOS管,橋堆等20年,工廠直銷省20%,4000家電路電器生產企業選用,專業的工程師幫您穩定好每一批產品,如果您有遇到什么需要幫助解決的,可以點擊右邊的工程師,或者點擊銷售經理給您精準的報價以及產品介紹

