mos管封裝介紹
MOS管芯片在制作完成之后,需要給MOSFET芯片加上一個外殼,即MOS管封裝。MOSFET芯片的外殼具有支撐、保護、冷卻的作用,同時還為芯片提供電氣連接和隔離,以便MOSFET器件與其它元件構成完整的電路。

按照安裝在PCB 方式來區分,MOS管封裝主要有兩大類:插入式(Through Hole)和表面貼裝式(Surface Mount)。插入式就是MOSFET的管腳穿過PCB的安裝孔焊接在PCB 上。表面貼裝則是MOSFET的管腳及散熱法蘭焊接在PCB表面的焊盤上。
mos管封裝引腳的發展進程
結構方面:TO->DIP->PLCC->QFP->BGA->CSP;
材料方面:金屬、陶瓷->陶瓷、塑料->塑料;
引腳形狀:長引線直插->短引線或無引線貼裝->球狀凸點;
裝配方式:通孔插裝->表面組裝->直接安裝
mos管封裝引腳-TO封裝
TO(Transistor Out-line)的中文意思是“晶體管外形”。這是早期的封裝規格,例如TO-92,TO-92L,TO-220,TO-252等等都是插入式封裝設計。近年來表面貼裝市場需求量增大,TO封裝也進展到表面貼裝式封裝。
TO252和TO263就是表面貼裝封裝。其中TO-252又稱之為D-PAK,TO-263又稱之為D2PAK。
D-PAK封裝的MOSFET有3個電極,柵極(G)、漏極(D)、源極(S)。其中漏極(D)的引腳被剪斷不用,而是使用背面的散熱板作漏極(D),直接焊接在PCB上,一方面用于輸出大電流,一方面通過PCB散熱。所以PCB的D-PAK焊盤有三處,漏極(D)焊盤較大。
如下面的mos管封裝引腳圖TO-252:

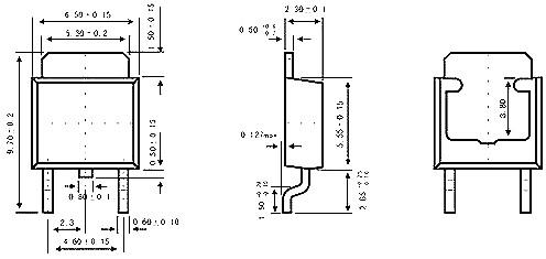
mos管封裝引腳-SOT封裝
SOT(Small Out-Line Transistor)小外形晶體管封裝。這種封裝就是貼片型小功率晶體管封裝,比TO封裝體積小,一般用于小功率MOSFET。常見的規格如上。
主板上常用四端引腳的SOT-89 MOSFET。

如下圖mos管封裝引腳圖SOT-23

mos管封裝引腳圖-SOP封裝
SOP(Small Out-Line Package)的中文意思是“小外形封裝”。SOP是表面貼裝型封裝之一,引腳從封裝兩側引出呈海鷗翼狀(L 字形)。材料有塑料和陶瓷兩種。SOP也叫SOL 和DFP。SOP封裝標準有SOP-8、SOP-16、SOP-20、SOP-28等等,SOP后面的數字表示引腳數。MOSFET的SOP封裝多數采用SOP-8規格,業界往往把“P”省略,叫SO(Small Out-Line )。

SO-8采用塑料封裝,沒有散熱底板,散熱不良,一般用于小功率MOSFET。
SO-8是PHILIP公司首先開發的,以后逐漸派生出TSOP(薄小外形封裝)、VSOP(甚小外形封裝)、SSOP(縮小型SOP)、TSSOP(薄的縮小型SOP)等標準規格。
這些派生的幾種封裝規格中,TSOP和TSSOP常用于MOSFET封裝。
mos管封裝引腳圖-QFN-56

QFN(Quad Flat Non-leaded package)是表面貼裝型封裝之一,中文叫做四邊無引線扁平封裝,是一種焊盤尺寸小、體積小、以塑料作為密封材料的新興表面貼裝芯片封裝技術。現在多稱為LCC。QFN是日本電子機械工業會規定的名稱。
封裝四邊配置有電極接點,由于無引線,貼裝占有面積比QFP小,高度比QFP低。這種封裝也稱為LCC、PCLC、P-LCC等。QFN本來用于集成電路的封裝,MOSFET不會采用的。Intel提出的整合驅動與MOSFET的DrMOS采用QFN-56封裝,56是指在芯片背面有56個連接Pin。
如何區分mos管封裝引腳的各個極
1.判斷柵極G
MOS驅動器主要起波形整形和加強驅動的作用:假如MOS管的G信號波形不夠陡峭,在點評切換階段會造成大量電能損耗其副作用是降低電路轉換效率,MOS管發燒嚴峻,易熱損壞MOS管GS間存在一定電容,假如G信號驅動能力不夠,將嚴峻影響波形跳變的時間.
將G-S極短路,選擇萬用表的R×1檔,黑表筆接S極,紅表筆接D極,阻值應為幾歐至十幾歐。若發現某腳與其字兩腳的電阻均呈無限大,并且交換表筆后仍為無限大,則證實此腳為G極,由于它和另外兩個管腳是絕緣的。

2.判斷源極S、漏極D
將萬用表撥至R×1k檔分別丈量三個管腳之間的電阻。用交換表筆法測兩次電阻,其中電阻值較低(一般為幾千歐至十幾千歐)的一次為正向電阻,此時黑表筆的是S極,紅表筆接D極。因為測試前提不同,測出的RDS(on)值比手冊中給出的典型值要高一些。
3.丈量漏-源通態電阻RDS(on)
在源-漏之間有一個PN結,因此根據PN結正、反向電阻存在差異,可識別S極與D極。例如用500型萬用表R×1檔實測一只IRFPC50型VMOS管,RDS(on)=3.2W,大于0.58W(典型值)。
烜芯微專業制造二極管,三極管,MOS管,橋堆等20年,工廠直銷省20%,1500家電路電器生產企業選用,專業的工程師幫您穩定好每一批產品,如果您有遇到什么需要幫助解決的,可以點擊右邊的工程師,或者點擊銷售經理給您精準的報價以及產品介紹

