續流二極管(Freewheeling diode)是以續流作用命名的一種電路保護二極管,本質上屬于快速恢復二極管或者肖特基二極管,這在開關電源、繼電器、可控硅和IGBT等電路中應用非常廣泛。
續流二極管工作原理
續流二極管原理:續流二極管一般用于電感性負載電路中,當負載電流發生突變(例如劇增、突降)時,電感負載兩端將相應生產生成突變電壓,這些突變的電壓可能破壞電路中的其他電子元器件。
為了避免這種突變對電路元件可能產生的損害,需要配置續流二極管,讓流過電路的電流平緩變化,這樣就不會出現尖峰現象。


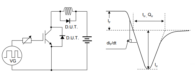
IGBT保護應用中的續流二極管及其波形
例如,當線圈中有電流流過時,兩端會產生感應電壓,當電流消失時會對電路元件產生反向電壓,如果該電壓高于元件的反向擊穿電壓,就會燒毀電路中的電壓敏感元器件如三極管、IGBT、晶振、繼電器等。
這時,只要在線圈兩端反向并聯一個二極管,就會通過二極管和線圈組成的回路(有時還會串接一個電阻器)消耗掉突變電壓,保證電路安全工作。
對于繼電器應用,當控制電路中的三極管由導通變截至時,線圈雖然會斷電,但是線圈感應的磁場并未立即消失,并可能產生高達1000V的反向電壓,造成三極管或其他電路元件擊穿。如果反接一個二極管(通常還會在二極管上串聯一個電阻器以防止回路電流過高),就能把這個大的反向電壓以電流的形式消耗掉,讓電路安全可靠的工作。
對于可控硅,一般相當于一個觸點開關,如果控制的是大電感負載,也會產生高壓反向電動勢,其保護原理和繼電器一樣。
對于馬達保護及顯示器等電路,其保護原理與普通線圈相同。


續流二極管在馬達保護電路中的應用
續流二極管選型
續流二極管一般用于開關電源、繼電器電路、可控硅電路和IGBT等,其使命是防止電感性負載在電流突變時產生自激,因此使用時萬萬不可接反,否則不但本身會燒毀,還會殃及整個系統電路。
為了能夠對電路變化迅速反應,一般選擇快速恢復二極管或者肖特基二極管,例如1N5204-8、1N5404-8,以及FR254-7等。
烜芯微專業制造二極管,三極管,MOS管,橋堆等20年,工廠直銷省20%,1500家電路電器生產企業選用,專業的工程師幫您穩定好每一批產品,如果您有遇到什么需要幫助解決的,可以點擊右邊的工程師,或者點擊銷售經理給您精準的報價以及產品介紹
烜芯微專業制造二極管,三極管,MOS管,橋堆等20年,工廠直銷省20%,1500家電路電器生產企業選用,專業的工程師幫您穩定好每一批產品,如果您有遇到什么需要幫助解決的,可以點擊右邊的工程師,或者點擊銷售經理給您精準的報價以及產品介紹

